来源:中国节能协会碳中和专业委员会
各省、自治区、直辖市人民政府,国务院各部委、各直属机构:
《以标准提升牵引设备更新和消费品以旧换新行动方案》已经国务院同意,现印发给你们,请认真贯彻执行。
市场监管总局
国家发展改革委
工业和信息化部
生态环境部
住房城乡建设部
商务部
应急管理部
2024年3月27日
(此件公开发布)


以标准提升牵引设备更新和
消费品以旧换新行动方案
为深入贯彻中央财经委员会第四次会议精神,落实国务院《推动大规模设备更新和消费品以旧换新行动方案》部署,实施新一轮标准提升行动,更好支撑设备更新和消费品以旧换新,制定本行动方案。
一、总体要求
以习近平新时代中国特色社会主义思想为指导,全面贯彻落实党的二十大和二十届二中全会精神,完整、准确、全面贯彻新发展理念,加快构建新发展格局,着力推动高质量发展,统筹扩大内需和深化供给侧结构性改革,坚持标准引领、有序提升,加快制修订节能降碳、环保、安全、循环利用等领域标准,积极转化先进适用的国际标准,通过配套政策协同发力,强化标准实施应用,最大程度释放标准化效能。
——坚持突出重点、精准发力。聚焦产业高质量发展和人民美好生活需要的关键领域,选取重点标准加快开展制修订工作,精准服务支撑设备和消费品更新换代。
——坚持循序渐进、有序提升。统筹考虑企业承受能力和消费者接受程度,有计划有步骤推进标准水平提升,加快完善标准实施配套政策,有力有序推动标准落地实施。
——坚持对标国际、规范引领。瞄准国际先进,推动一批关键标准达到国际先进水平,对于涉及生命财产安全的强制性标准实现“应强尽强、能强则强”,切实发挥标准的规范和引领作用。
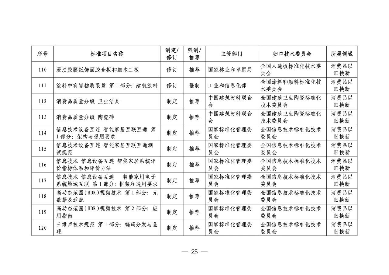
到2025年,完成制修订重点国家标准294项,2024年和2025年分别完成129项和165项,标准体系更加优化完善。重点领域消费品国家标准与国际标准一致性程度达到96%以上。推动政策与标准更加协同配套,商品和服务质量不断提高,先进产能比重持续提升,高质量耐用消费品更多进入居民生活,标准助力经济高质量发展取得明显成效。
二、加快能耗排放技术标准升级,持续引领设备更新
(一)加快提升能耗能效标准。统筹推进节能标准体系优化升级,抓紧修订一批能耗限额、家电及工业设备能效强制性国家标准,加快修订火电、炼化、煤化工、钢铁、焦炭、多晶硅等行业能耗限额标准,重点提升充电桩、锅炉、电机、变压器、泵、冷水机组、冷库等重点用能设备能效标准,抓紧制定锂电池正负极材料、光伏拉晶产品等能耗限额标准和通信基站等能效标准,完善配套检测方法,推动能效指标达到国际先进水平。(国家发展改革委、工业和信息化部、市场监管总局、国家能源局等按职责分工负责)
(二)持续完善污染物排放标准。修订农药、酒类等行业水污染物排放标准,升级焦化、铅锌、煤矿等行业大气污染物排放标准,完善生活垃圾、固体废物等污染控制标准,牵引相关行业改进技术工艺、更新污染治理设施。修订建筑施工噪声污染排放标准,最大限度减少施工噪声扰民。提升铀矿冶等行业辐射防护标准,完善放射性固体废物处置标准,确保放射性物质全链条安全。(生态环境部、市场监管总局等按职责分工负责)
(三)加强低碳技术标准攻关。衔接碳市场建设需求,加快制定有色、建材、化工、轻工等企业碳排放核算标准,尽快实现重点行业碳排放核算全覆盖。发布产品碳足迹量化要求国家标准,统一具体产品的碳足迹核算原则、方法和数据质量,制定碳标签、重点产品碳足迹标准。推动碳减排和碳清除技术标准制定,加快出台碳捕集利用与封存标准,助力产业低碳转型。(国家发展改革委、工业和信息化部、生态环境部、农业农村部、市场监管总局、国家能源局等按职责分工负责)
(四)提升设备技术标准水平。研制大规格、高精度、高复杂度数控机床标准,编制工业母机产业链高质量标准体系建设图谱。健全高速鼓风机、生物质锅炉标准,提高通用生产设备的效率和可靠性。制修订高压输电设备、低压配电设备标准,支撑新型电力系统绿色发展。完善农机标准体系,重点攻关大马力拖拉机、大型联合收割机和小型农机标准,满足大规模土地集中流转和丘陵山区作业需求。制定挖掘机、装载机、自卸车等工程机械电动化标准,制修订天然橡胶初加工设备标准,推进农机等领域制定北斗高精度应用标准,制定工业设备数字化管理等标准,提升设备的高端化、智能化、绿色化水平。(国家发展改革委、工业和信息化部、农业农村部、市场监管总局、国家能源局等按职责分工负责)
(五)筑牢安全生产标准底线。推动燃气软管、切断阀等燃气用具推荐性标准转为强制性标准,加快防爆电气、钢丝绳等重点产品安全标准升级,完善矿山、危险化学品、烟花爆竹等高风险行业安全标准,修订火灾探测报警、防火分隔、自动灭火设备等消防产品标准,建立健全适应“大安全、大应急”要求的应急避难场所标准体系,制修订家用应急包等产品标准,加强家庭应急产品标准体系建设,有力保障人民群众生命财产安全。(工业和信息化部、住房城乡建设部、应急管理部、市场监管总局、国家矿山安监局、国家消防救援局等按职责分工负责)
三、强化产品质量安全标准提升,促进消费品以旧换新
(六)推动汽车标准转型升级。修订电动汽车动力电池安全标准,加大新能源汽车整车安全、充换电标准供给,加强自动驾驶、激光雷达等智能网联技术标准研制,加快先进技术融合迭代,提升网络安全等级和数据安全保护水平。完善汽车售后服务及维修标准,营造有利于新能源汽车发展的消费环境。加快乘用车、重型商用车等能源消耗量限值标准升级。(国家发展改革委、工业和信息化部、公安部、住房城乡建设部、交通运输部、市场监管总局、国家能源局等按职责分工负责)
(七)加快家电标准更新换代。制修订传统家电产品质量安全强制性标准,修订安全使用年限推荐性标准,研制集成家电、母婴家电、宠物家电、直流家电、低噪声家电标准,制定人机交互、纳米材料、直流技术等信息技术新材料与家电融合标准,推动绿色智能家电标准体系优化升级,创造家电消费新需求。(国家发展改革委、工业和信息化部、商务部、市场监管总局等按职责分工负责)
(八)强化家居产品标准引领。加快升级家具结构安全、阻燃性能等强制性标准,完善含挥发性有机物(VOCs)相关产品标准,加严人造板甲醛释放量指标,提升建筑涂料、木质地板等装饰装修产品标准,制修订绿色建材评价标准,制定厨卫五金、卫生洁具、陶瓷砖等质量分级标准,研制智能家居互联互通、风险识别标准,助力提升家居产品消费档次。(工业和信息化部、住房城乡建设部、市场监管总局、国家林草局等按职责分工负责)
(九)加大新兴消费标准供给。加快构建新一代视听产品及应用标准体系,研制高动态范围(HDR)视频、三维声音技术、超高清视频等高端消费电子产品技术标准,提升用户消费体验。开展无人机飞行试验、物流无人机、无人机适航等标准制定,发展低空经济。(工业和信息化部、市场监管总局、中国民航局等按职责分工负责)
四、加大回收循环利用标准供给,有力推动产业循环畅通
(十)推进绿色设计标准建设。加强家电、家具、电子产品、纺织服装、塑料等产品绿色设计标准研制,将材料可再生利用率指标纳入家用电器强制性标准,引导产品设计充分考虑材料的易回收、易拆解、易再生。制定风电和光伏设备绿色设计标准,将设备及零部件可回收、可循环利用作为评价的重要内容。(工业和信息化部、市场监管总局等按职责分工负责)
(十一)健全二手产品交易标准。研制二手货品质鉴定和交易市场管理通用标准,制定报废机动车回用件拆卸、溯源系列标准。出台手机、平板电脑等电子产品二手交易中信息清除方法国家标准,研究制定二手电子电器产品可用程度分级标准,引导二手电子产品经销企业建立信息安全管理体系和信息技术服务管理体系。(工业和信息化部、商务部、市场监管总局、供销合作总社等按职责分工负责)
(十二)健全废旧产品回收利用标准。整合优化再生资源回收利用标准体系,研究制定回收站点、分拣中心、交易平台等通用标准,加快健全家用电器、汽车轮胎、纺织服装、家具、农机等产品回收、分拣、拆解、再生利用标准,制定废弃电器电子产品回收规范,不断提升废旧产品回收利用水平。健全完善新能源汽车电池回收利用标准,研制退役风电、光伏设备的绿色拆解和回收利用标准。加强重型机械等再制造标准研究,加快完善重要设备装备的再制造标准体系。(国家发展改革委、工业和信息化部、生态环境部、商务部、市场监管总局、供销合作总社等按职责分工负责)
(十三)完善再生材料质量和使用标准。制修订再生金属、再生塑料等再生料质量标准,统筹推进再生塑料全链条标准体系建设,推动建立再生塑料认证体系。探索在家电、汽车、电子产品标准中增加再生塑料、再生金属的使用要求,助力材料使用形成闭环。完善再生资源进口的标准和政策,尽可能多地扩大进口种类和规模。(国家发展改革委、工业和信息化部、生态环境部、交通运输部、海关总署、市场监管总局等按职责分工负责)
五、保障措施
(十四)加强组织领导。市场监管总局(国家标准委)要加强工作统筹,强化督促落实。国务院各有关部门要加快推动标准研制,出台标准实施配套政策措施。各地市场监管部门要会同有关部门结合实际制定细化工作方案,支持国家标准制修订工作,完善配套措施,切实推动标准落地见效。
(十五)统筹国内国际。持续开展汽车、家电、碳排放等领域标准比对分析,积极转化先进适用国际标准,稳步推进国内国际标准衔接。推动中国标准海外应用和中外标准互认,配套出台一批“新三样”中国标准外文版。加快建设国际标准化创新团队,推动重点领域牵头制定一批国际标准。加强检验检疫、认证认可等国内国际衔接。
(十六)强化政策支持。强化标准与财政支持等政策措施的协同,推动标准和政策统筹布局、协同实施。推进绿色产品认证与标识体系实施,研究制定支持绿色产品的政府采购政策,大力推进智能家电等高端品质认证。充分发挥行业领军企业示范带动作用,大力培育标准创新型企业。
(十七)监督标准实施。常态化监测评估标准实施成效和问题,实行强制性标准实施情况统计分析报告制度。建立消费品质量安全监管目录,强化产品质量监督抽查。围绕新能源汽车、电子电器、儿童用品等重点消费品,加大缺陷调查和召回力度。针对智能驾驶等新技术新产品,探索建立产品质量安全“沙盒监管”制度。
附件:1. 2024年制修订重点国家标准项目清单
2. 2025年制修订重点国家标准项目清单、






























中国节能协会副秘书长兼碳中和专委会常务副秘书长 张军涛 联系电话:13552070628(微信同号)
特别声明:本网站转载的所有内容,均已署名来源与作者,版权归原作者所有,若有侵权,请联系我们删除。凡来源注明低碳网的内容为低碳网原创,转载需注明来源。