来源:上海市生态环境局
上海市生态环境局9月12日印发《上海市水泥行业超低排放改造实施方案》,推动实施水泥行业独立粉磨站(含生产特种水泥、协同处置固废的水泥企业)超低排放改造。到2025年底前,基本完成有组织、无组织排放超低改造;到2027年底前,基本完成现有水泥企业独立粉磨站超低排放改造;到2028年底前,进一步削减水泥行业污染物排放总量。
上海市水泥行业超低排放改造实施方案
为贯彻落实《中共中央 国务院关于深入打好污染防治攻坚战的意见》《中共中央 国务院关于全面推进美丽中国建设的意见》《国务院关于印发〈空气质量持续改善行动计划〉的通知》和生态环境部等五部委《关于推进实施水泥行业超低排放的意见》要求,推进本市水泥行业超低排放改造,促进产业转型升级,制定本实施方案。
一、总体要求
按照“源头管控、全过程控制、分步实施”的原则,对本市水泥行业所有生产环节实施升级改造,对有组织排放、无组织排放和物料产品储存运输,分门别类提出指标限值和管控措施,实现全流程、全过程环境管理,推动行业高质量发展,大幅削减主要大气污染物排放。
二、工作目标
推动实施水泥行业独立粉磨站(含生产特种水泥、协同处置固废的水泥企业)超低排放改造。到2025年底前,基本完成有组织、无组织排放超低改造;到2027年底前,基本完成现有水泥企业独立粉磨站超低排放改造;到2028年底前,进一步削减水泥行业污染物排放总量。
三、工作要求
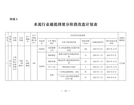
对照《关于推进实施水泥行业超低排放的意见》中关于水泥行业独立粉磨站超低排放指标要求,对水泥企业所有生产环节实施升级改造,达到相应控制指标和管理要求。具体指标限值和控制措施见附表1-4。
四、主要措施和任务
(一)严格项目环境准入
严禁新增水泥熟料产能,新改扩建(含本市迁建)水泥项目按超低排放水平建设,列入淘汰退出计划的企业或设施不再要求实施超低排放改造。
(二)加快推进现有水泥企业超低排放改造
大气污染物有组织排放控制。对照水泥行业超低排放改造要求,因厂施策,按照时间服从质量原则,稳步推进改造项目实施。因厂制宜选择成熟适用的环保技术,除尘采用袋式、电袋复合式等高效除尘技术。
大气污染物无组织排放控制。在保障安全生产的前提下,无组织排放控制采用密闭、封闭等有效治理措施。鼓励采用机械化料场、筒仓、圆库等物料储存方式,产尘点按照“应收尽收”原则合理配置废气收集设施,优化收集风量。优化工艺流程,减少转运环节,降低物料落差,缩短运输距离;破碎机、磨机喂料装置采用密闭或封闭防尘措施。
物料产品储存运输。进出企业的原燃料采用铁路、水路、管道、管状带式输送机、皮带通廊等清洁方式运输比例不低于80%。产品运输优先采用清洁运输方式,汽车运输全部采用新能源或国六排放标准车辆。厂内使用新能源运输车辆(2025年底前可采用国六排放标准车辆)。非道路移动机械原则上采用新能源,无对应产品的满足国四及以上排放标准(2025年底前可采用国三排放标准非道路移动机械)。
(三)统筹推进水泥行业协同减污降碳
鼓励企业在超低排放改造时统筹开展减污降碳和清洁生产改造,积极探索污染物和温室气体协同控制工艺技术。推动原料替代,在保障水泥产品质量前提下,提高废渣资源替代石灰石比重;提高矿渣、粉煤灰工业废物掺加比例,降低熟料系数。提高水泥产品质量和应用水平,促进水泥减量化使用。加快推广高效节能粉磨等节能技术装备。
(四)依法依规推进水泥企业全过程管理
严格水泥企业排污许可管理,加大依证监管执法力度,确保排污单位落实持证排污、按证排污的环境管理主体责任,不能按证排污的,实施限期治理。
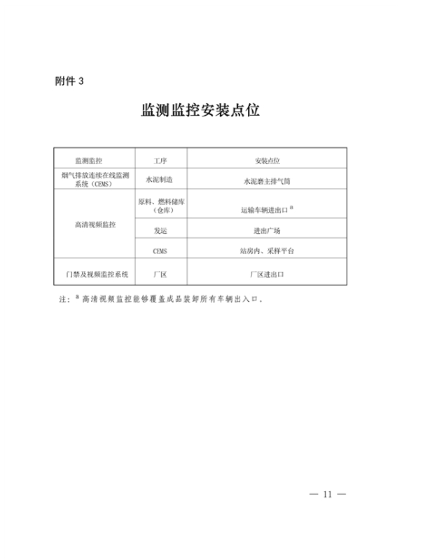
实施超低排放改造的企业,可通过全面加强污染物排放自动监测、过程监控和视频监控设施建设等方式自证稳定达到超低排放要求,包括以下措施:安装自动监控设施,与生态环境部门联网并验收;主要生产装备和污染治理设施安装分布式控制系统(DCS);推进除尘设施布袋破损诊断技术应用,数据接入DCS系统;重点环节安装高清视频监控设施;建设全厂环境管控平台,记录有组织排放、无组织排放相关监测监控和治理设施运行情况,以及清洁运输情况;自动监测、DCS系统等数据至少保存五年以上,高清视频监控数据至少保存一年以上。
加强运行管理。定期检查无组织排放设施运行情况,可通过智能化、数字化建设,实现无组织排放精准管控。外排环境的烟气旁路,应采取彻底拆除、切断、物理隔离等方式取缔,因安全生产需要保留的,在非紧急情况下保持关闭并铅封,通过安装自动监测设备、流量计等方式加强监管,鼓励在旁路设置感应式阀门,阀门开启状态、开度等信号接入中控系统,并保存历史记录。
强化运输管理。配备专职人员加强运输管理,建设门禁及视频监控系统,以及进出厂运输车辆、厂内运输车辆、非道路移动机械电子台账。鼓励与供车单位、原辅材料供货单位及产品购买单位签订车辆排放达标保证书、增加相应合同条款、提供运输车辆年检合格证明等方式实现车辆合规管理。
完善管理制度。建立健全企业环保管理机构,设置环保专职人员。建立企业环保设施检修与维护、环境监测、环保监督与考核、环保应急预案等管理制度。按照排污许可技术规范要求,规范、准确、完整记录环境管理台账,如实反映生产设施、污染治理设施运行情况。
(五)实施重污染天气预警差别化管理措施
充分发挥标杆企业引领示范作用,对于已完成超低排放改造并公示的水泥企业,可开展绩效引领型评级工作:完成绩效引领评定的,重污染天气预警期间可采取自主减排措施。未按时限要求完成超低排放改造的水泥企业,重污染天气预警期间依法严格落实应急减排措施。
五、实施保障
(一)加强组织领导
各部门共同组织实施本方案,各司其职、各负其责,密切配合,形成合力,及时协调和解决推进过程中的困难和问题,市发展改革委和市经济信息化委要加强对企业的服务和指导,加大政策支持力度,推进企业优化生产工艺,推进产业结构调整。市区两级生态环境部门要会同有关部门建立水泥行业超低排放改造管理台账,实施动态管理。
(二)加大政策支持和技术支撑
水泥企业达标排放是法定责任,超低排放是鼓励导向,鼓励各相关部门研究加大对完成超低排放的水泥企业政策支持力度,推动水泥企业超低排放改造。支持水泥企业与高校、科研机构、环保工程技术公司等合作,创新节能减排技术,促进成熟先进超低改造技术推广应用。
(三)建立定期报送制度
水泥企业应在每年12月10日和6月10日前将超低排放改造进展情况和主要做法书面报送至相关区生态环境局、区发展改革委、区经济信息化委、区财政局、区交通委等部门;在完成超低排放改造连续稳定运行一个月后,可自行或委托有能力的技术机构,严格按照指标要求、监测技术规范等开展自行监测,报送相关区生态环境局、区发展改革委、区经济信息化委、区财政局、区交通委等部门。鼓励行业协会发挥桥梁纽带作用,指导企业开展超低排放改造和评估监测工作。
(四)加强宣传引导和监督执法
加强宣传报道,营造良好的社会舆论氛围,增强水泥企业超低排放改造的主体责任意识和紧迫意识,公开完成超低排放改造的水泥企业名单,接受社会监督。加强日常监管和执法检查,对不达标企业、未按证排污企业,依法依规严格处罚。








特别声明:本网站转载的所有内容,均已署名来源与作者,版权归原作者所有,若有侵权,请联系我们删除。凡来源注明低碳网的内容为低碳网原创,转载需注明来源。