EMCA
来源:
国网山东省电力公司滨州供电公司调度中心大楼空调系统、外墙保温、能耗监测管理系统节能改造项目
如需了解更多节能方案和节能改造服务,请咨询低碳网专业专家团队。
一、案例名称
国网山东省电力公司滨州供电公司调度中心大楼空调系统、外墙保温、能耗监测管理系统节能改造项目
二、案例业主
国网滨州供电公司调度中心大楼建筑面积逾20000平方米,是国网山东省电力公司直属的大型供电企业。大楼的采暖及制冷能耗都较突出,3台冷水机组的年耗电量为17.58万kW·h,3台电锅炉的年耗电量为855.9万kW·h;输配系统年能耗21.2万kW·h;外墙结构为普通混凝土,导热系数高,门窗及外墙周边气密性也不好,改造前采暖耗电量873.4万kW·h。
三、案例内容
1.技术原理及适用领域
该项目采用自主研发的建筑节能改造解决方案综合评估模型技术,对国网山东省电力公司滨州供电公司调度中心大楼空调系统、外墙保温、能耗监测管理系统进行节能改造。该技术基于层次分析法的权重系数判定数学模型,从节能效果、经济效益、系统协调性等方面分析并确定最优的节能技术综合解决方案。
2.节能改造具体内容
滨州供电公司建筑主要分为办公建筑和生活建筑。其中办公建筑的总建筑面积为20523平方米,生活建筑的总建筑面积约22404平方米。
根据模型分析结果,供电公司最优化的综合节能解决方案包括以下用能系统的改造:空调系统(制冷及采暖)、围护结构系统、能耗监测管理系统。
(1)空调制冷系统。
冷源采用高效的螺杆机组替换原冷水机组。
(2)空调供暖系统。
采用2台涡旋空气源热泵机组替换原向办公楼供暖的1台电锅炉提高效率,电锅炉可不拆除,作为空气源热泵系统的辅助热源,保障办公楼供热安全。
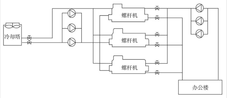
(3)增加空调机房群控系统。

图1 原冷水机组

图2 改造后螺杆机组
对冷源系统和输配系统进行监控,并实现联动、变频等优化控制。
(4)输配及水处理系统。
更换平衡阀降低输送管路的散热损失和阻力损失。增加水处理装置以保证冷却水水质满足相关标准要求。对冷却塔填料进行更换,强化冷却塔换热,提升主机运行效率,降低制冷系统能耗。制冷机组增加小球清洗装置,保持机组能效维持在较高水平。
(5)围护结构改造。
增强保温效果。
(6)加装能耗监测管理系统。
监控配电支路能耗,实现管理节能。
3.项目实施情况
项目于2015年5月1日开工,2015年6月16日竣工并投入使用,运行情况良好,节能效益显著。
四、项目年节能量及节能效益
1.年节能量
(1)改造前后系统(设备)用能情况及主要参数。
①空调系统冷热源。

图3 改造后办公楼采暖系统图

图4 机房群控改造系统图
改造前中心大楼冷源为3台制冷量680.5kW的开利活塞式冷水机组,热源为3台750kW电锅炉。改造前冷水机组年能耗17.58万kW·h,单台电锅炉年能耗285.3万kW·h。
改造后采用2台制热量527kW的约克空气源热泵机组对1台电锅炉进行替换,并用2台720kW的新电锅炉替换原有2台。采用3台制冷量596kW的约克螺杆式冷水机组替换原有3台活塞式冷水机组。改造后热泵系统年能耗83.4万kW·h,螺杆式冷水机组年能耗9.1万kW·h。
②空调输配系统及冷却系统。
改造前:输配系统共有3台45kW主楼冷(热)水泵、3台30kW冷却水泵、3台45kW住宅采暖泵,系统配有1台22.5kW冷却塔,目前冷却塔填料有明显结垢现象。改造前输配系统年能耗21.2万kW·h。
改造后:对3台冷冻泵、3台冷却泵和冷却塔风机安装变频调速装置,实现根据供回水温度和压力变化调节设备运行频率,大幅降低设备能耗。对空调冷却水系统安装水处理装置,同时更换高效冷却塔填料,提高设备运行效率。对制冷机房内输送管路、阀门、保温进行翻新改造,避免水的跑冒滴漏,降低输送管路的散热损失和阻力损失。改造后输配系统年能耗11.2万kW·h。
③外墙保温。
改造前外墙结构为普通混凝土,导热系数高,门窗及外墙周边气密性也不好,存在很大的冷热量损耗。
改造后采用外墙外保温的方式对原建筑改造。建筑外墙内外保温均可使用,施工方便,且保温效果和隔声性、防火性较好。
④能耗监测管理系统。
改造前未安装能耗监测管理系统,电力公司配电间共设置了3台变压器。现场发现调度中心配电室共有25条支路,第三配电室共有37条支路(包括冷热水泵、冷却水泵、冷却塔和住宅采暖泵)。
改造后除了实现直接对公司各条常规电力支路的能耗监控外,还实现了对被改造设备用电支路的计量,反映设备改造前与改造后的能耗状况;同时帮助公司管理人员提高对目标设备的日常管理,依据平台提供的监测数据做出相应节能诊断。
(2)节能量计算方法及项目年节能量。
空调冷源:改造前活塞冷水机组年耗电量为17.58万kW·h,改造后的螺杆机组年耗电量为9.1万kW·h。改造后年可节电8.5万kW·h。
空调热源:改造前单台电锅炉的耗电量为285.3万kW·h,改为空气源热泵后,热泵的年耗电量为83.4万kW·h。改造后供热系统可节电201.9万kW·h。
空调输配及冷却系统:改造前的年总耗电量为21.2万kW·h,改造后的年总耗电量为11.2万kW·h,年可节电10万kW·h。
围护结构:改造前采暖耗电量873.4万kW·h,改造后耗电量减少3%,每年节电量26.2万kW·h。
能耗监测系统:改造前未安装能耗监测系统,改造后通过加强运行管理,预计节电量为35.16万kW·h。该项目针对冷热源、围护结构、能耗监管三个系统,采取相应节能措施对供电公司进行综合性节能改造。预计总共年节省电量281.7万kW·h,折合节约标煤929.61tce,预计节能率为24.04%。
2.年节能效益
该项目年节约电量281.7万kW·h,当地电价0.7988元/kW·h,年节约费用225.02万元。
五、商业模式
该项目采用能源费用托管型模式,项目期限5年,2015年5月1日一2020年5月1日,其中供暖时间为11月中旬一3月中旬(共4个月),供冷时间为7月上旬至9月下旬(共3个月)。
能源托管期内,项目业主单位按供暖服务费34元/平方米·年(参照当地商业集中供暖现行价格标准)及供冷服务费32元/平方米·年的收费标准向节能服务公司支付供冷热费用135万元/年。
同时,为确保合同期内设备运营效果,业主单位向节能服务公司支付运营管理服务费205万元,该费用包含设备日常运维、状态检修、设备操作培训、每季度能耗分析报告及技术指导等。实际支付能源托管费合计340万元。
六、融资渠道
该项目投资额共计1200万元,全部为节能服务公司自有资金。
特别声明:本网站转载的所有内容,均已署名来源与作者,版权归原作者所有,若有侵权,请联系我们删除。凡来源注明低碳网的内容为低碳网原创,转载需注明来源。