EMCA
来源:
河津市禹门口焦化有限公司60万吨/年焦炉烟气余热回收节能改造项目
如需了解更多节能方案和节能改造服务,请咨询低碳网专业专家团队。
一、案例名称
河津市禹门口焦化有限公司60万吨/年焦炉烟气余热回收节能改造项目
二、案例业主
河津市禹门口焦化有限公司始建于1988年,是龙门科技集团下设的一个骨干企业,拥有精煤洗选生产线一条,年产60万吨2x50孔DJL4350D型捣固焦焦炉一座,主要产品有焦炭、焦炉煤气、焦油、粗苯等。
龙门科技集团是经国家工商总局登记注册的大型民营企业,地处山西省河津市龙门村,集煤、焦、电、铝、生铁、水泥、建材运输、铁路发运、旅游于一体股份制的集团公司。公司被国家农业部评为“全国大型乡镇企业”,被山西省科学技术厅认定为“省民营科技企业”,位居全国民营企业500强第301位,山西省百强企业第16名。
三、案例内容
1.技术原理及适用领域
该项目采取的生产工艺为:在焦炉燃烧排放废气的(机焦两侧)烟道上开孔,将废气利用引风机从烟道内抽出,经过热管余热回收装置与水换热,烟气由270~320°C被冷却到165°C以上,从引风机入口排入原焦炉烟肉排空。余热回收装置内水被加热后汽化,在蒸汽聚集器内汇合,每小时产生0.4~0.8MPa蒸汽约6吨,用于化工生产用汽,
该技术适用于钢铁、有色、建材等工业窑炉烟气余热回收。
2.节能改造具体内容
烟气流程:
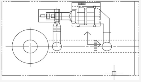
从焦炉来的废热烟气(温度为270°C~320°C),在机焦两侧烟道的闸板阀前设置两个出烟口取出烟气,由管道连接汇集进入热管余热回收装置,换热后温度降到165°0以上,经引风机引入烟肉(如右图)。

烟气流程图
水系统流程:
原有20°C软水进入水箱,经除氧后由给水泵通过省煤器预热后,进入热管余热回收装置蒸发器。产生0.4~0.8MPa饱和汽,输入蒸汽管道供生产用汽。
电气自控:
引风机采用变频器调速,调节焦炉烟气出口压力,保证窑压在一个稳定值。系统由PLC实时控制,对余热利用系统内的水泵风机、电动阀门等进行状态监控。配备必要的就地显示仪表,当远传参数达到或超过报警值时,显示器上以声光信号对该参数报警。
3.项目实施情况
2013年4月1日开始建设,2013年8月30日竣工,按照合同约定完成施工建设,施工质量良好。设备一次试车成功,运行状况良好,平均每小时生产蒸汽7吨以上,节能效果明显,超过了预期的目标。
四、项目年节能量及节能效益
1.改造前后系统(设备)用能情况及主要参数
改造前,运行1台10吨/时焦炉煤气锅炉供生产用汽,每 小时消耗焦炉煤气1600Nm’。
改造后,停止运行该锅炉,运行余热回收装置,生产蒸汽完全满足生产用汽,每小时节约焦炉煤气1600Nm,年直接受益约700万元人民币。
2.节能量计算方法
年节能量-蒸汽量x蒸汽折标系数x年运行时间-设备年消耗折标煤
-6吨/小时x0.1286吨标准煤/吨x8640小时/年-822吨标准煤/年
=6666吨标准煤/年-822吨标准煤/年
=5844吨标准煤/年
项目运行后平均每小时生产蒸汽7吨节能量按每小时生产蒸汽6吨计算。项目实施后每年节约能源折合标准煤为5844吨。
五、商业模式
该项目是节能效益分享型合同能源管理,合同期为两年。效益分享期前1.5年内,节能服务公司分享节能效益的47.6%即每个月27.7778万元,共计500万元;效益分享的1.5~2.0年,节能服务公司分享节能效益的43%,每个月25万元,共计150万元。2年内节能服务公司共分享节能效益总金额为650万元。
六、融资渠道
该项目的合同额为650万元。属于交钥匙工程,设备采购、土建及安装施工资金全部由节能公司自筹。
特别声明:本网站转载的所有内容,均已署名来源与作者,版权归原作者所有,若有侵权,请联系我们删除。凡来源注明低碳网的内容为低碳网原创,转载需注明来源。