来源:山东省能源局
山东省能源局发布关于《2024年山东省能源领域大规模设备更新暨新技术、新产品、新装备推荐目录》的公示,详情如下:
为积极推进我省能源领域技术创新,加快成果转化,提升能源行业现代化水平和市场竞争力,我局开展了2024年山东省能源领域大规模设备更新暨新技术、新产品、新装备征集工作,并组织专家进行了论证。现将《2024年山东省能源领域大规模设备更新暨新技术、新产品、新装备推荐目录》进行公示,时间为5月24日-5月28日(3个工作日)。
公示期间,如有异议,请以书面形式提出并反馈至省能源局科技处。单位反映情况请加盖公章,个人反映情况请留真实姓名及联系方式,以便核实查证。
联系人及电话:刘炎 张戈,0531-51763617
邮 箱:snyjkjc@shandong.cn
附件:2024年山东省能源领域大规模设备更新暨新技术、新产品和新装备推荐目录
山东省能源局
2024年5月24日











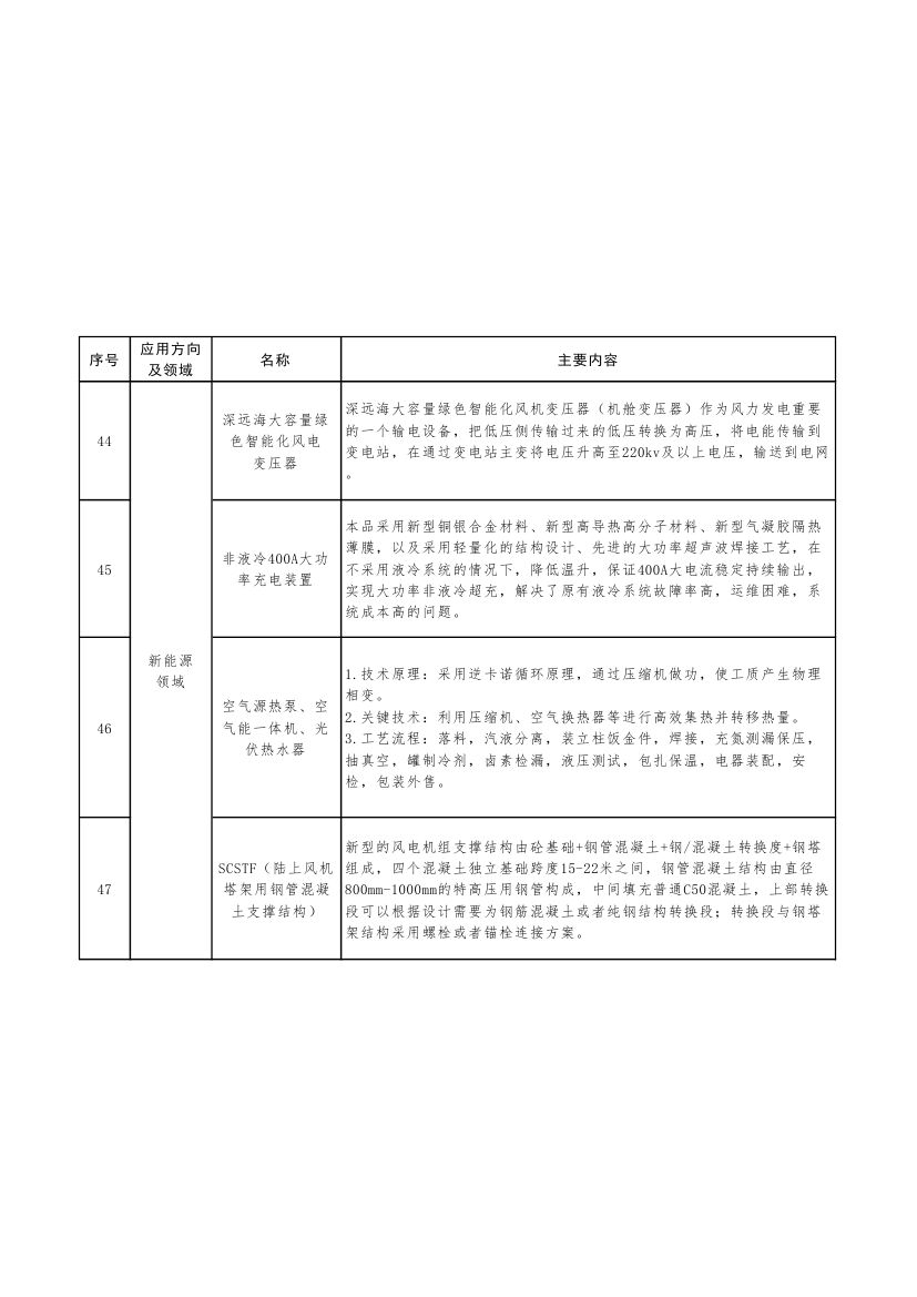
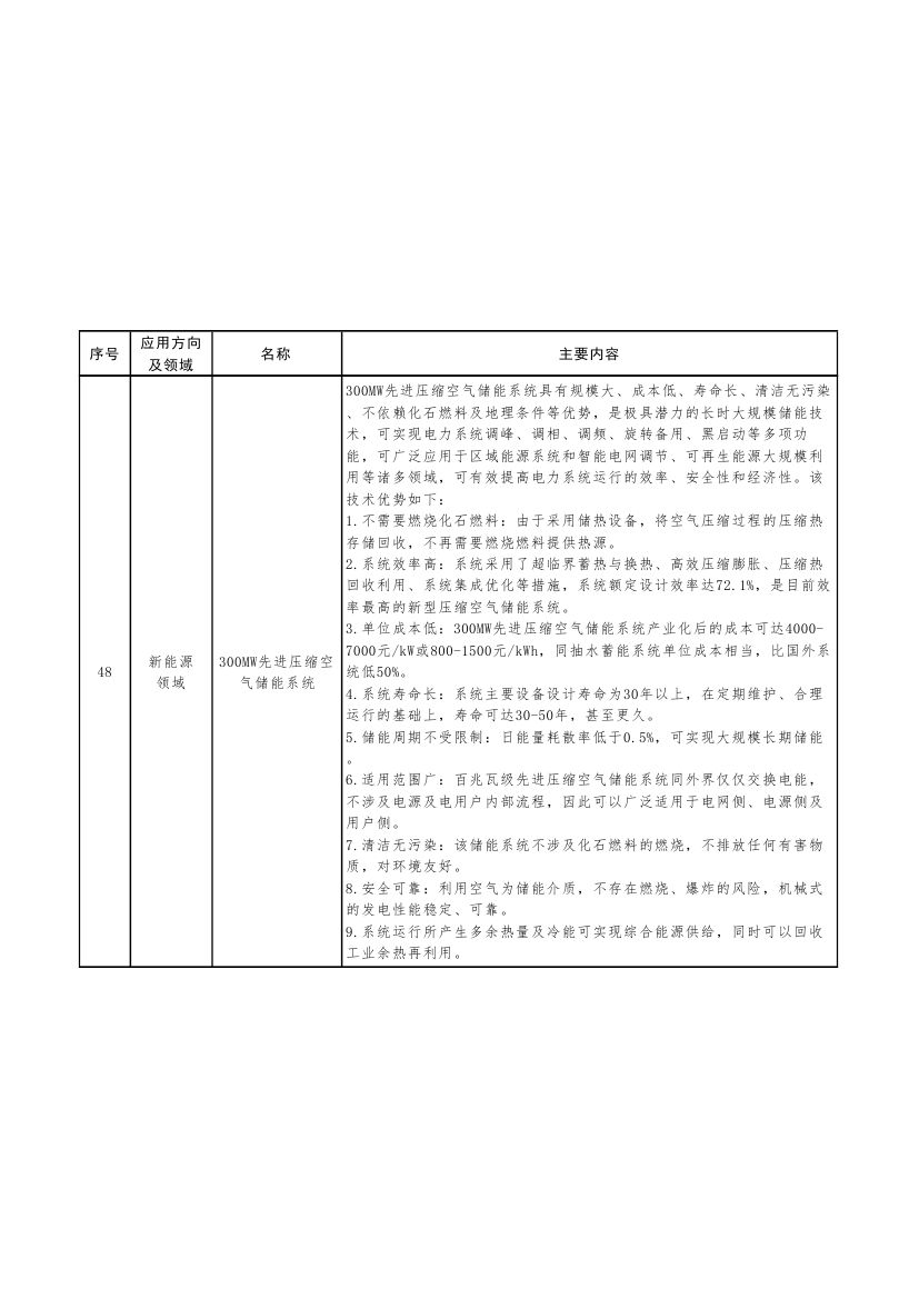
特别声明:本网站转载的所有内容,均已署名来源与作者,版权归原作者所有,若有侵权,请联系我们删除。凡来源注明低碳网的内容为低碳网原创,转载需注明来源。